聯系我們
企業地址:天津市西青經濟技術開發區賽達國際工業城A3-2
企業郵箱:apastj@163.com
聯系電話:022-87887696
企業傳真:請聯系管理員
企業郵編:300385
咨詢熱線:13622125499(24小時服務)
企業郵箱:apastj@163.com
聯系電話:022-87887696
企業傳真:請聯系管理員
企業郵編:300385
咨詢熱線:13622125499(24小時服務)
4040工業鋁型材CAD三維模型下載(雙槽)
艾普斯 丨 2018.10.03 丨 4000
|
||||
| 4040工業鋁型材CAD三維模型(雙槽) | ||||
|
|
||||
| 4040(雙槽)工業鋁型材主要應用于輕型框架的設計搭建,設計師可以下載CAD三維模型,便于工業框架的構想與實現,需要搭配20系列槽6專用連接配件進行快速連接; | ||||
|
|
||||
|
||||
|
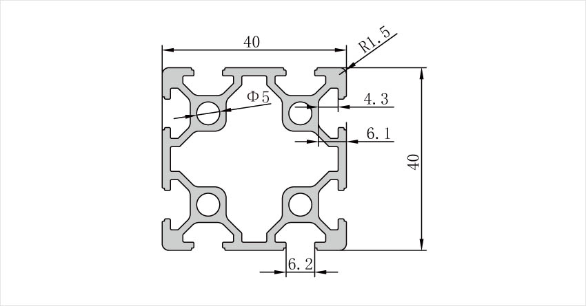
(4040-雙槽工業鋁型材二維參數)
|
||||
|
規格型號
|
材質
|
單位重量
|
慣性矩
|
慣性矩
|
彎矩
|
彎矩
|
訂貨編號
|
|
Profile
|
Material
|
Weight
|
Ix(cm4)
|
Iy(cm4)
|
Wx(cm3)
|
Wy(cm3)
|
Order NO.
|
|
40×40
|
鋁AL(6063-T5)
|
1.62kg/m
|
10.92
|
10.92
|
5.46
|
5.46
|
APAS-P6-4040
|
| 4040(雙槽)工業鋁型材屬于20系列槽6型材,用于輕型工業框架的設計搭建,如:工業防護罩/防塵罩、精益儀器框架、電氣操作臺等,需要結合20系列型材專用連接配件進行快速連接,設計師可以選用4040(雙槽)工業鋁型材進行工業框架的構想與實現; |




